Low-Noise Econ-Mode Elevator AC with Leak-Free Design
Description
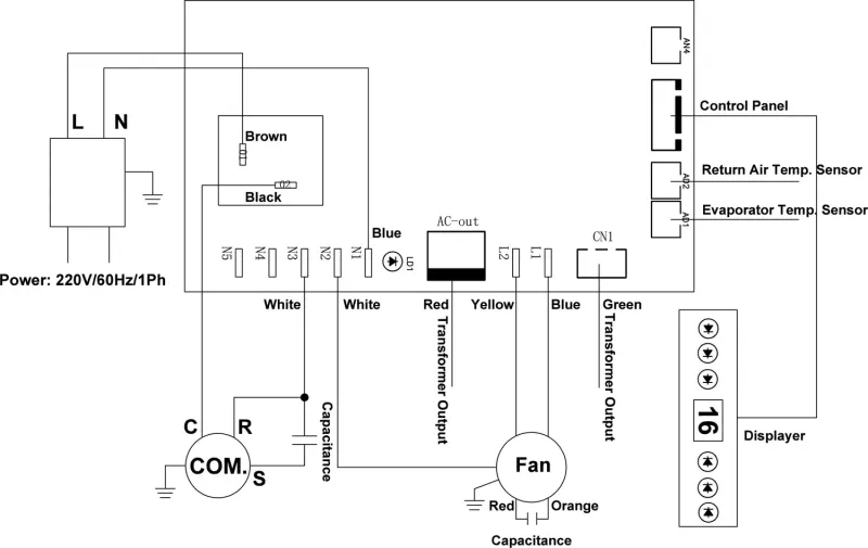
Overview
Basic Info.
- Model NO. EA-25
- Corrosion Durability General
- Operating Voltage 208-240V
- Noise Level Ultra Low
- Mounting Ceiling Mount
- Certification ISO, CE, CCC
- Condition New
- Colour Grey/White
- Service OEM
- Controller Remote Controller
- Cooling Capacity 8500 BTU/H
- Design Compact
- Transport Package Carton for Container Order
- Trademark Blueway
- Origin Guangdong, China
- HS Code 8415101000
- Production Capacity 1000 Sets/Month
Product Description
Elevator air conditioner is designed and engineered for the elevator to control the humidity and air temperature, which with a wide range of applications, like high-class hotel, hospital, office building, shopping mall, residence, villa, etc.
Equipped with famous high efficiency compressor, R410a eco-friendly refrigerant, smart remote controller for easy and convenient operation. With multi-protection, including compressor over-heat, fault alarm, compressor start delay protection, anti-over flow protection, no need manual drainage, etc.
What's more, in ECON. mode, the elevator air conditioner will automatically enter the energy-saving off status when the elevator is static for some time (default is ten minutes), and once detecting the elevator start to run, it will start running accordingly.
KEY FEATURES
- Simple installation and operation
- Fresh air supply, low running costs and high efficiency
- Famous brand compressor for steady performance and ultra low noise
- R410a Eco friendly CFC free refrigerant without ozone depletion.
- Remote controller for easy and convenient operation
- No need manual drainage and with anti-overflow protection.
- With multi-protection function, including compressor over-heat, pipe over-heat, fault alarm, compressor start delay protection, etc.
- With ECON. mode, the elevator air conditioner will automatically enter the energy-saving off status when the elevator is static for some time (default is ten minutes). And once detecting the elevator start to run, it will start running accordingly.
TECHNICAL SPECIFICATIONS
Options: Elevator Air Conditioner (On-Off, R410a Type)
| Model name | EA-25 |
|---|---|
| Power supply | V/Ph/Hz 220-240/50/1, 208-230/60/1 |
| Cooling | Capacity Btu/h 8500 |
| EER | W/W 2.58 |
| Power input | W 870 |
| Rated current | A 4.05 |
| Heating | Capacity W / |
| COP | Btu/w.h / |
| Power input | W / |
| Rated current | A / |
| Electric heater(Optional) | W / |
| Max. input consumption | W 1160 |
| Max. current | A 5.5 |
| Starting current | A 16 |
| Operation Control | - Remote Control |
| Indoor coil | Number of row - 2 |
| Fin spacing | mm 1.4mm |
| Fin material | - Hydrophilic Aluminum |
| Tube outside diameter | mm φ7 |
| Tube material | - φ7×0.24+0.18×C |
| Number of circuit | - 2×2U |
| Indoor fan motor | Input W 75 |
| Capacitor | uF 5 |
| Speed(Hi/Lo) | rpm 1080/970 |
| Indoor air flow (Hi/Lo) | m3/h 320/270 |
| Indoor noise level (Hi/Lo) | dB(A) 49/48 |
| Outdoor coil | Number of row - 2 |
| Fin spacing | mm 1.4mm |
| Fin material | - Hydrophilic Aluminum |
| Tube outside diameter | mm φ7 |
| Tube material | - φ7×0.24+0.18×C |
| Number of circuit | - 2×2U |
| Compressor | Brand - GMCC |
| Type | - Rotary |
| Capacitor | mF 25 |
| Outdoor fan motor | Input W 75 |
| Capacitor | uF 5 |
| Speed | rpm 1080/970 |
| Outdoor noise level (Hi/Lo) | dB(A) 57 |
| Net dimension (W×H×D) | mm 430*580*386 |
| Packing dimension (WxHxD) | mm 485*670*430 |
| Unit weight | Net kg 29 |
| Gross | kg 32 |
| Refrigerant | Type - R410A |
| Charge | g 610 |
| Operation temperature range | ºC 17-31 |
| Ambient temperature range | ºC 48 |
| Loading Qty(20'/40'/40'HQ) | set 192/393/524 |
Blueway reserves the rights to modify the specifications without notice for product improvement. Please contact us for updated information.
MANUFACTURING & SHIPMENT
ADVANTAGES & MARKET OVERVIEW
- Blueway has around 30 years of rich HVAC manufacturing experience.
- Over 1000 original R&D products, Blueway is qualified to be OEM/OBM/ODM.
- Over 10000 engineering solutions with great success provided by Blueway.
- Online technical service is available twenty-four hours a day without break.
- Blueway intelligent control system with precise timing, temperature control & remote monitoring function.
With advanced technology and R&D capacity, Blueway has obtained over more than 20 patents and become one of the leading HVAC manufacturers in China. Meanwhile, 70% of Blueway products have been exported to oversea markets, including Australia, Europe, North America, Middle East, South Africa, South America and obtained worldwide recognition. Additionally, it has over 20 representative offices located in different cities of China, and also has its authorized distributors in Europe, Middle East, North America and South America.
So far, Blueway has already provided over 10000 engineering solutions with great success. What's more, Blueway is also the recommended brand by Hilton Hotel in Chinese market. Blueway will continue its endeavor and commitment to serve its worldwide partners by providing solutions and innovative products of high efficiency.
FAQ
- Q: What's the refrigerant type?
A: R410a eco-friendly refrigerant. - Q: How about the production time?
A: It depends on the quantity and PMC plan. - Q: Adopt which brand of compressor?
A: GMCC compressor. - Q: Whether could be customized?
A: Yes, Blueway has its own R&D team to make customized products based on actual application. - Q: What's the type of controller?
A: Smart remote controller. - Q: Hong long is the warranty time?
A: 1 year for the whole unit, 3 years for the compressor. - Q: Any colour option?
A: White and grey for shorter production period.
${currentPro.title}






